Für eine genaue Temperaturmessung bietet Onewire eine sehr gute und dazu auch noch günstige Möglichkeit. Allerdings wuchsen meine per USB-Adapter angeschlossenen Netze irgendwann über die Grenzen ihrer Stabilität. Eine Onewire-WLAN-Bridge bietet hier eine Lösung.
Mit einem ESP8266-Modul, einem 1wire-Busmaster-Chip und etwas Kleinkram sollte das sich (relativ) leicht verwirklichen lassen. Die Bridge sollte sowohl einen Busmaster-Chip (DS2482S-100) unterstützen, als auch Soft-Onewire-Emulation. Ein ESD-Protection-Chip (DS9503P) ist immer von Vorteil. Weiterhin sollte der Bus mit 5V laufen, also muss noch ein LevelShifter her.
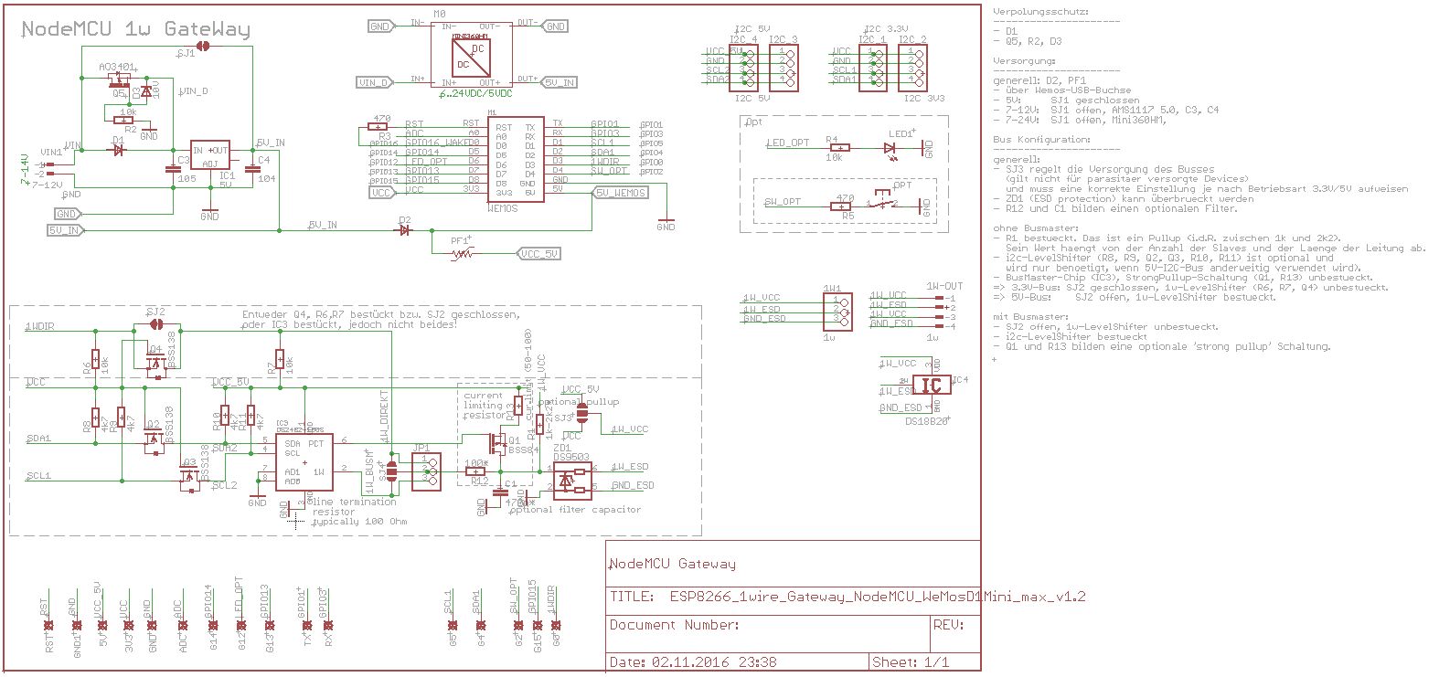
Das Ergebnis der dieser Überlegungen ist folgendes Board geworden:

Um möglichst flexibel zu bleiben, sind mehrere Bestückungsvarianten vorgesehen (per Lötjumper konfigurierbar).
onewire-Bus:
- Soft-Onewire-Emulation (mit oder ohne LevelShifter zum Anheben der Busspannung auf 5 V)
- BusMaster-Chip (ggf. mit einr optionaler StrongPullup-Schaltung )
Spannungsversorgung:
- 5V über USB-Buchse des WeMos-Moduls
- stabile 5V über Schraubklemmen
- 7-12V über ams1117-Regler (Schraubklemmen)
- 7-20V über einen DC-DC-Wandler (Schraubklemmen)
Versorgung über Schraubklemmen besitzt einen Verpolungsschutz und eine Selbstrückstellender Sicherung.
Zusätzlich kann ein optionaler ESD-Protection-Chip und je ein LED und Taster (wofür auch immer) bestückt werden.
Vorstellung und Diskussion im Forum: https://forum.fhem.de/index.php/topic,45853.0.html.
Eagle-Sources: https://github.com/hexenmeister/PCB-Design/tree/master/ESP8266_1wire_Gateway_WeMosD1Mini




Nach ca. 4 Wochen kamen in China gefertigten Platinen an.




Um einfacher mehrere Temperatursensoren anzuschließen, habe ich ein einfaches Erweiterungsboards erstellt.


Zum Betrieb wird natürlich Firmware benötigt. Wird BusMaster-Unterstützung benötigt, kann diese hier verwendet werden: https://github.com/Pfannex/ESP-1wire-WLAN-Gateway.
Mehrere verschiedene onewire-Devices werden von der folgenden Firmware unterstützt: https://github.com/habeIchVergessen/ESP-1wire-WLAN-Gateway/tree/mqtt
Wer lediglich Temperatursensoren braucht und mit Soft-onewire leben kann, kann auch ESPEasy (https://www.letscontrolit.com/) nehmen.
Die Konfiguration dazu:





Kommentare (0)